76+ pages nad c320bee service manual 800kb. Service manual - 20 pages. NAD C320BEE - page 5. Please take a look at the below related repair forum topics. Check also: service and understand more manual guide in nad c320bee service manual Also See for C 320BEE.
Subsequently more we here provide you not and no-one else in this nice of PDF. For this no need registration.

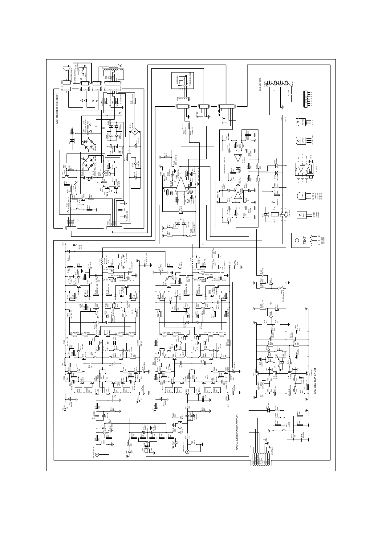
Master Electronics Repair Nad C320bee Schematic Current Adjustments Stereo Amplifier
| Product: Master Electronics Repair Nad C320bee Schematic Current Adjustments Stereo Amplifier |
| Manual Book Format: ePub Book |
| Number of Pages: 232 pages Nad C320bee Service Manual |
| Product Version Date: October 2018 |
| Document Size: 1.8mb |
| Read Master Electronics Repair Nad C320bee Schematic Current Adjustments Stereo Amplifier |
We as pay for hundreds of the books collections from outmoded to the supplementary updated book regarding the world.

Do not place the unit on a soft surface like a carpet. Owners manual - 79 pages. Preview of NAD C-320 SM 2nd page Click on the link for free download. Avoid placing the unit in direct sunlight or near sources of heat and damp. NAD C 320BEE Stereo Amplifier Service manual. NAD C320BEE Owners Manual Owners Manual for NAD C320BEE downloadable as a PDF file.

Master Electronics Repair Nad C320bee Schematic Current Adjustments Stereo Amplifier
| Product: Master Electronics Repair Nad C320bee Schematic Current Adjustments Stereo Amplifier |
| Manual Book Format: eBook |
| Number of Pages: 187 pages Nad C320bee Service Manual |
| Product Version Date: March 2020 |
| Document Size: 725kb |
| Read Master Electronics Repair Nad C320bee Schematic Current Adjustments Stereo Amplifier |

Nad C320 Fixed Another Protection Circuit Problem Diyaudio
| Product: Nad C320 Fixed Another Protection Circuit Problem Diyaudio |
| Manual Book Format: eBook |
| Number of Pages: 248 pages Nad C320bee Service Manual |
| Product Version Date: May 2018 |
| Document Size: 1.35mb |
| Read Nad C320 Fixed Another Protection Circuit Problem Diyaudio |

Nad C 320bee Service Manual Pdf Download Manualslib
| Product: Nad C 320bee Service Manual Pdf Download Manualslib |
| Manual Book Format: eBook |
| Number of Pages: 274 pages Nad C320bee Service Manual |
| Product Version Date: September 2019 |
| Document Size: 1.5mb |
| Read Nad C 320bee Service Manual Pdf Download Manualslib |

Nad C320bee H2004 01 Bulletin Service Manual Download Schematics Eeprom Repair Info For Electronics Experts
| Product: Nad C320bee H2004 01 Bulletin Service Manual Download Schematics Eeprom Repair Info For Electronics Experts |
| Manual Book Format: eBook |
| Number of Pages: 169 pages Nad C320bee Service Manual |
| Product Version Date: December 2020 |
| Document Size: 2.2mb |
| Read Nad C320bee H2004 01 Bulletin Service Manual Download Schematics Eeprom Repair Info For Electronics Experts |

Pdf Manual For Nad Amp C320bee
| Product: Pdf Manual For Nad Amp C320bee |
| Manual Book Format: eBook |
| Number of Pages: 210 pages Nad C320bee Service Manual |
| Product Version Date: January 2019 |
| Document Size: 2.6mb |
| Read Pdf Manual For Nad Amp C320bee |

Nad C320bee H2004 01 Bulletin Service Manual Download Schematics Eeprom Repair Info For Electronics Experts
| Product: Nad C320bee H2004 01 Bulletin Service Manual Download Schematics Eeprom Repair Info For Electronics Experts |
| Manual Book Format: eBook |
| Number of Pages: 255 pages Nad C320bee Service Manual |
| Product Version Date: April 2021 |
| Document Size: 3mb |
| Read Nad C320bee H2004 01 Bulletin Service Manual Download Schematics Eeprom Repair Info For Electronics Experts |

Master Electronics Repair Nad C320bee Schematic Current Adjustments Stereo Amplifier
| Product: Master Electronics Repair Nad C320bee Schematic Current Adjustments Stereo Amplifier |
| Manual Book Format: eBook |
| Number of Pages: 145 pages Nad C320bee Service Manual |
| Product Version Date: December 2020 |
| Document Size: 1.9mb |
| Read Master Electronics Repair Nad C320bee Schematic Current Adjustments Stereo Amplifier |
Download File Nad C320bee Integrated Amplifier Service Manual Pdf From Thread Szukam Schematu Wzmacniacza Nad C326bee
| Product: Download File Nad C320bee Integrated Amplifier Service Manual Pdf From Thread Szukam Schematu Wzmacniacza Nad C326bee |
| Manual Book Format: PDF |
| Number of Pages: 182 pages Nad C320bee Service Manual |
| Product Version Date: February 2020 |
| Document Size: 1.9mb |
| Read Download File Nad C320bee Integrated Amplifier Service Manual Pdf From Thread Szukam Schematu Wzmacniacza Nad C326bee |
Download File Nad C320bee Integrated Amplifier Service Manual Pdf From Thread Szukam Schematu Wzmacniacza Nad C326bee
| Product: Download File Nad C320bee Integrated Amplifier Service Manual Pdf From Thread Szukam Schematu Wzmacniacza Nad C326bee |
| Manual Book Format: PDF |
| Number of Pages: 162 pages Nad C320bee Service Manual |
| Product Version Date: January 2018 |
| Document Size: 1.6mb |
| Read Download File Nad C320bee Integrated Amplifier Service Manual Pdf From Thread Szukam Schematu Wzmacniacza Nad C326bee |

Nad C320bee User Manual 46 Pages
| Product: Nad C320bee User Manual 46 Pages |
| Manual Book Format: eBook |
| Number of Pages: 179 pages Nad C320bee Service Manual |
| Product Version Date: March 2018 |
| Document Size: 725kb |
| Read Nad C320bee User Manual 46 Pages |

Nad C 320bee Service Manual
| Product: Nad C 320bee Service Manual |
| Manual Book Format: PDF |
| Number of Pages: 349 pages Nad C320bee Service Manual |
| Product Version Date: February 2021 |
| Document Size: 725kb |
| Read Nad C 320bee Service Manual |
19 pgs 405 Mb 0. Service manuals usually include printed circuit boards block diagrams exploded views assembly instructions and. 19 pgs 405 Mb 0.
Here is all you have to to learn about nad c320bee service manual Sie verlassen die Website von NAD. Service manuals usually include printed circuit boards block diagrams exploded views assembly instructions and. C If the product has been exposed to rain or water. Master electronics repair nad c320bee schematic current adjustments stereo amplifier nad c320 fixed another protection circuit problem diyaudio nad c320bee h2004 01 bulletin service manual download schematics eeprom repair info for electronics experts pdf manual for nad amp c320bee download file nad c320bee integrated amplifier service manual pdf from thread szukam schematu wzmacniacza nad c326bee download file nad c320bee integrated amplifier service manual pdf from thread szukam schematu wzmacniacza nad c326bee This website is not affiliated with or sponsored by NAD.
0 Komentar